

CZ電磁倉壁振動器簡稱電磁振動器、電磁振打器,安裝在粉料倉下部縮口處外側,采用220V電壓作為工作電源,依靠高頻振動和沖擊力,有效地消除物料由于內磨擦、潮解、帶電、成份偏析等原因引起的堵塞、塔拱現象,使物料從料倉口順利排出。
倉壁厚度:0.6-14mm 振動頻率:3000次/分
激振力:0.1-10N 功率:0.008-0.2
免費獲取報價
全國統一銷售熱線
CZ電磁倉壁振動器CZ電磁倉壁振動器(又稱電磁倉壁振打器)靠高頻振動和沖擊力,有效地消除物料由于內磨擦、潮解、帶電、成份偏析等原因引起的堵塞、塔拱現象,使物料從料倉口順利排出電磁倉壁振動器能保證穩定地供料所必需的設備,使用電磁振動器作疏料裝置,結構簡單,下料流暢,能穩定給料系統,也可用在其它需振動源的機械上。電磁振動器使用簡單,在線圈繞組引線串接隨振動器附帶的二極管,接通220V交流電源即可工作,可廣泛在化工、建材、礦產等粉體機械上使用。

大米試機
CZ電磁倉壁振動器可用于各種振動機械,如給料機、振動篩、小型輸送機、振動平臺等,可用在化工廠下料口,食品廠下料口,洗煤廠下料口,煤倉,疏通管道等,已廣泛用于礦山、冶金、化工、建材、機械等各行業中。

振動力大:激振力與功率搭配得當,可增加振動力,噪音低,機體重量輕,體積小。
防堵塞能力強:利用高頻振動和沖擊力可消除由內摩擦,潮解,帶電引起的堵塞現場。
無級調節:采用可調激振力的振動電機為激振源,激振力可隨意調節。
多機組合:可多臺組合使用,實現自同步能完成不同的工藝要求。
電磁倉壁振動器的控制原理為半波整流,電磁線圈由交流電經二極管整流供電,當線路接通后,正半周脈動直流電壓加在電磁線圈上,由電磁鐵的作用,在振動體和機座之間產生脈沖電磁力,振動體被吸引,此時彈性系統貯存勢能,在負半周二極管不導通,電磁力消失,借助彈性系統貯存的勢能,使振動體向相反的方向振動,這樣周而復始,振動體便以交流電的頻率往復振動。振動體的周期性高頻振動,通過沖擊塊傳遞給料倉壁,倉壁的周期性振動,一方面使物料與倉壁脫離接觸,另一方面使物料受交變速度和加速度的影響,處于不穩定狀態,從而有效地克服物料的內摩擦力和聚焦力,使物料從料倉口順利地排出。

| 型號 | 振動力(kg) | 功率(kw) | 工作電壓(V) | 工作電流(A) | 振動頻率(次/分) | 振動體幅度(mm) | 適用倉壁厚度(mm) |
| CZ10 | 10 | 0.008 | 220 | 0.11 | 3000 | 1.5 | 0.6-0.8 |
| CZ50 | 50 | 0.03 | 1.1 | 1.5 | 1.2-1.6 | ||
| CZ100 | 100 | 0.06 | 1.0 | 1.5 | 2.5-3.2 | ||
| CZ250 (CZ200) |
250 | 0.1 | 1.6 | 2 | 1.0-4.0 | ||
| CZ600 (CZ400) |
600 | 0.15 | 2.3 | 2 | 3.0-8.0 | ||
| CZ1000 (CZ800) |
1000 | 0.2 | 3.8 | 2 | 6.0-14 | ||
| CZ1500 | 1500 | 0.45 | 7.0 | 2 | 6.0-14 |

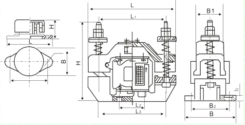
| 型號 | L1 | L2 | L3 | H | B | B1 | B2 | H | n |
| CZ10 | 134 | 62 | 6 | 2 | |||||
| CZ50 | 250 | 110 | 12 | 2 | |||||
| CZ100 | 260 | 145 | 210 | 20 | 2 | ||||
| CZ150 | 232 | 220 | 242 | 190 | 103 | 140 | 15 | 2 | |
| CZ200 | 232 | 220 | 242 | 190 | 103 | 140 | 15 | 2 | |
| CZ250 | 232 | 220 | 242 | 190 | 103 | 140 | 15 | 2 | |
| CZ400 | 300 | 100 | 262 | 363 | 240 | 170 | 190 | 20 | 4 |
| CZ600 | 300 | 100 | 262 | 363 | 240 | 170 | 190 | 20 | 4 |
| CZ800 | 375 | 120 | 460 | 380 | 295 | 170 | 230 | 35 | 4 |
| CZ1000 | 375 | 120 | 460 | 380 | 295 | 170 | 230 | 35 | 4 |
電磁倉壁振動器一般該安裝在料倉下部沿倉高1/4的位置上。
1、全鋼板料倉,倉壁振動器應焊接或用螺栓連接在料倉倉壁上。
2、上部為混凝土料倉,下部為鋼制料倉,倉壁振動器應安裝在鋼制料斗壁上。
3、全混凝土和帶加強筋鋼制料倉,在倉內應附設振動板,倉壁振動器應安裝在振動板上。
4、貯存純粗塊物料的料倉,這種料倉無論形狀如何,均應在倉內附設振動板,倉壁振動器安裝在振動板上。
5、溜槽,倉壁振動器應安裝在溜槽易粘、堵塞的部位上。

Copyright ? 2007-2020 新鄉市大漢振動機械有限公司 版權所有
All Rights Reserved 備案序號:豫ICP備09002479號-15